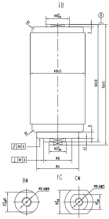
Model:VITD12/630-20
Category:VI for 12KV embedded poles

| Main Technical Specification | ||
| VOLTAGE RATINGS | ||
| Rated voltage(Ur) | kV | 12 |
| Rated short-time(1min)power-frequency withstand voltage(Ud) | kV | 48 |
| Rated lightning impulse withstand voltage(Peak)(Up) | kV | 85 |
| Rated frequency(fr) | Hz | 50 |
| CURRENT RATINGS | ||
| Rated current(Ir) | A | 630 |
| Circuit resistance at lowest rated contact force | μΩ | ≤20 |
| Rated short-circuit breaking current(lsc) | kA | 20 |
| Breaking operations of rated short circuit breaking current | Times | 30 |
| Rated short-time withstand current(Ik) | kA | 20 |
| Rated duration of short-circuit(tk) | s | 4 |
| Rated peak withstand current(lp) | kA | 50 |
| Rated short-circuit making current(lMc) | kA | 50 |
| Rated cable-charging breaking current(lc) | A | 25 |
| Rated breaking current of single capacitor bank(lsb) | A | 400 |
| Rated breaking current of back-to-back capacitor bank(lbb) | A | 400 |
| MECHANICAL DATA | ||
| Weight of movable parts | kg | ≤0.6 |
| Closing force due to bellow and atmosphere | N | 70±40 |
| Force required to hold contacts open at full stroke | N | 120±50 |
| MECHANICAL REQUIREMENTS | ||
| Clearance between open contacts | mm | 8.5±1 |
| Average opening speed (contact close position~75%contact gap) | m/s | 1.2±0.2 |
| Average closing speed (30%contact gap-contact close position) | m/s | 0.6±0.2 |
| Rated added external contact final force | N | 1600±160 |
| Added external contact force at contact touch point | 1120±80 | |
| Contact bouncing duration at closing operation | ms | ≤2 |
| Closing and opening non-simultaneity of three-phase contacts | ms | ≤1 |
| Maximum rebound during opening | mm | ≤2 |
| LIFE | ||
| Storage life | years | 20 |
| Rated mechanical endurance | Times | 10000 |
| Contacts limit erosion | mm | 3 |
Prev archive:Vacuum interrupter for load breaking switch TF413V
Next archive:VI for 12KV Embedded Poles TD314G